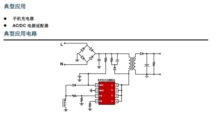
球泡、筒燈、燈絲燈、小路燈……當它們被塞進天花板或燈殼深處,任何一顆元件失效都可能帶來“失明”甚至安全隱患。傳統方案依靠保險絲+次級光耦做保護,外圍多、成本高、體積大。KP23132MSGA 把“單點失效保護”直接寫進芯片 DNA,讓 12 W 以內的小功率離線 LED 電源第一次有了“單芯片安全艙”的概念。

? 集成 800 V 高壓功率三極管,原邊控制省去光耦與 TL43
? 恒壓/恒流精度 ±5 %,待機功耗 < 30 mW,輕松滿足 DOE & CoC 能效
? 谷底開通 + 多模式調制,效率提升、無異音
? 內置線損補償,遠距離負載也能穩壓
? 完整保護:UVLO、OVP、OCP、OTP、箝位、FB 管腳懸空保護……
官方給出了 8 條硬核場景:
FB 上拉或下拉電阻開路
FB 下拉電阻短路
輸出二極管或 SR 整流管開路/短路
變壓器繞組短路
RCS 電流檢測電阻開路
IC GND 管腳開路
芯片一旦偵測到異常,立即進入打嗝或閂鎖模式,輸出電壓/電流被限制在安全范圍,既不會過沖燒毀 LED,也不會讓燈具變成“黑盒子”。
輸入:AC 85-265 V 全電壓
輸出:24 V 0.5 A(12 W Max)
拓撲:原邊控制反激,非隔離/隔離可選
效率:> 87 % @230 Vac
待機:< 30 mW
保護:全面覆蓋單點失效
? KP23132MSGA 直接驅動 800 V 三極管,省去驅動電路
? 原邊 RCD 吸收 + 次級 RC 吸收,雙重抑制尖峰
? FB 分壓網絡加 100 k/10 k,兼顧精度與待機功耗
? RCS 用 0.68 Ω/1206,折中 OCP 精度與損耗

– 芯片:KP23132MSGA(SOP-8)×1
– HV MOS:芯片內部已集成,無需外置
– 變壓器:EE16,Np:Ns = 6:1,Lp ≈ 1.2 mH
– 輸出整流:MBR10100 ×1(如做隔離)
– 電解:輸出 100 μF/35 V ×2(低 ESR)
– 貼片阻容若干,整體高度 < 15 mm,可直接塞進 T-Pipe 燈殼
? 滿載 12 W,芯片殼溫 68 °C@45 °C 環溫,余量充足
? 啟動延時 250 ms,無可見燈閃
? 115 Vac 輸入,輸出短路立即打嗝,短路解除后 1 s 內恢復
? FB 下拉電阻開路實驗:輸出電壓被限制在 30 V,LED 電流 < 50 mA,燈珠安全
| 終端形態 | 推薦結構 | 亮點 |
| 球泡燈 | 非隔離 BPFC+KP23132MSGA | 成本極致,板面積 18 mm×25 mm |
| 筒燈/面板燈 | 隔離反激 | 滿足 SELV,支持 0-10 V/PWM 調光接口 |
| 小路燈 | 隔離+灌膠 | 防雷 2 kV,單點失效保護避免高空維修 |
確認功率 ≤ 12 W → KP23132MSGA(SOP-8)
判斷是否需要隔離 → 非隔離省光耦,隔離更安全
預留 FB 單點失效測試點 → 量產老化 100 % 抽檢,安心出貨

當智能照明進入“全屋無感維護”時代,燈具的可靠性不再只靠外殼和灌封,而要從芯片級開始設計“失效安全”。KP23132MSGA 用一顆 SOP-8 的體積,把“12 W 離線 LED 電源”做得更小、更高效,并且在任何單點故障下都能優雅地“自我保護”。對于追求極致 BOM、嚴格安規、快速上市的照明廠商,這顆芯片或許就是“小功率智能燈”的終極答案。