AIP1628中微愛芯SOP28封裝 LED驅動控制專用芯片
SOP28 封裝
SOP28 封裝
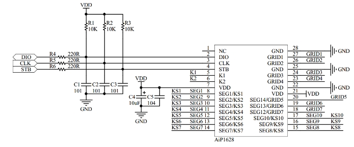
3線串口共陰極10段7位或13段4位 LED驅動控制/ 10*2位鍵盤掃描專用電路
AiP1628是帶鍵盤掃描接口的LED驅動控制專用電路,內部集成有MCU數字接口、數據鎖存器、鍵盤掃描等電路。本產品主要應用于VCR、VCD、DVD及家庭影院等產品的顯示屏驅動。
采用功率CMOS工藝
顯示模式(10段x7位~13段x4位)
鍵掃描(10x2bit)
輝度調節電路(占空比8級可調)
串行接口(CLK,STB, DIO)
內置RC振蕩(450KHz+5%)
內置上電復位電路
封裝形式: SOP28

LED顯示面板場合,例如微波爐,電磁爐,熱水器等家電產品。